RU N 3810 nadgrad. ručica za frontove - katalog proizvoda
RU N 3810 nadgrad. ručica za frontove
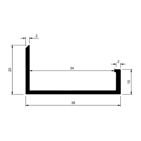
RU N 3810 nadgradna ručica za frontove
Aluminijumski profil RU N 3810 je nadgradna ručica koja se koristi prilikom izrade nameštaja od pločastog materijala.
Koristi se za vertikalne i horizontalne frontove, a takođe i kao ručica za fioke.
Montaža se vrši lepljenjem ili šrafljenjem sa zadnje strane.
Završna obrada profila je proces hemijske eloksaže.
Prodajna dužina ručice je 3m, a istu možete kratiti na željenu dužinu.
Materijal ručice je aluminijum, a dostupne obrade su: bela, brušena bronza, brušeno zlato, crna, srebro mat i kašmir.
Takođe, pogledajte i nadradnu ručicu RU N 4510 koja ima istu namenu, ali je većih dimenzija i kompatibilna je sa ramovima 1009 i 1010.










































































